Sign In | Join Free | My burrillandco.com
Home > IGBT Power Module >

IGBT Power Module MCC19-16IO8B Thyristor Modules IXYS IGBT Power Module

    Buy cheap IGBT Power Module MCC19-16IO8B Thyristor Modules IXYS IGBT Power Module from wholesalers
     
    Buy cheap IGBT Power Module MCC19-16IO8B Thyristor Modules IXYS IGBT Power Module from wholesalers
    • Buy cheap IGBT Power Module MCC19-16IO8B Thyristor Modules IXYS IGBT Power Module from wholesalers

    IGBT Power Module MCC19-16IO8B Thyristor Modules IXYS IGBT Power Module

    Ask Lasest Price
    Brand Name : IXYS
    Certification : RoHS Compliant
    Model Number : MCC19-16IO8B
    Price : Pls Contact sales team
    Delivery Time : 1 day
    Payment Terms : T/T , Paypal, Western Union ,Escrow etc.
    Supply Ability : 200
    • Product Details
    • Company Profile

    IGBT Power Module MCC19-16IO8B Thyristor Modules IXYS IGBT Power Module


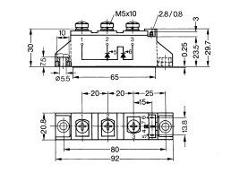
    MCC19-16IO8B is a Thyristor Modules .


    Part NO:

    MMCC19-16IO8B

    Brand:

    IXYS

    Date Code:

    01+

    Quality Warranty:

    3 Months

    Mounting Type:

    Screws


    Overview

    We specialize in high power and power conversion modules of famous brands

    Categories include: Darlington Schottky, rectifier intelligent, IGBT, IPM, GTR, DC-DC, AC-DC rectifier and power supply and other modules.

    Applications: power conditioning, frequency conversion equipment, motor speed, ship naval, aerospace, terminal handling, airport facilities, mining and drilling, welding and other high-tech areas of network communications and heavy machinery. They can play an effect of high-frequency power conversion, digital control, fully resonant frequency soft switching, synchronous rectification, intelligent control, electromagnetic compatibility, power factor correction, power protection and control, Parallel flow control, pulse width modulation .

    Please pay attention to the following when your are purchasing

    1 Module can be directly mounted on a power supply device of printed circuit board, which is characterized by supplying power to specific integrated circuit (ASIC), a digital signal processor (DSP), a microprocessor, a memory, a field programmable gate array (FPGA ) and other digital or analog load.

    2 We will offer pictures to our customers first and arrange shipment immediately after they make a confirmation. To protect your interest, please make sure to carefully review the pictures to ensure that model, suffix, packaging, appearance, etc. can meet your requirements before our sales team effect shipment. We don’t accept any return of goods due to the above reasons of uncertainty.

    3 We have the most direct supply channels with manufacturers, supplier agents working closely so as to reduce product circulation. We are strict with quality, inspection and testing as they our essential work. At the same time,we also provide thoughtful, multi-faceted and comprehensive after-sales service.


    Quality IGBT Power Module MCC19-16IO8B Thyristor Modules IXYS IGBT Power Module for sale
    Inquiry Cart 0
    Send your message to this supplier
     
    *From:
    *To: Mega Source Elec.Limited
    *Subject:
    *Message:
    Characters Remaining: (0/3000)