Sign In | Join Free | My burrillandco.com
Home > IGBT Power Module >

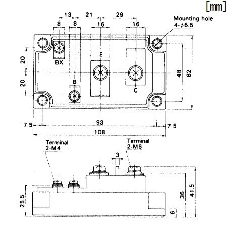
IGBT Power Module 1DI200G-100 POWER TRANSISTOR MODULE FUJITSU IGBT Power Module

IGBT Power Module 1DI200G-100 POWER TRANSISTOR MODULE FUJITSU IGBT Power Module

IGBT Power Module 1DI200G-100 POWER TRANSISTOR MODULE FUJITSU IGBT Power Module

1DI200G-100 is a POWER TRANSISTOR MODULE. Part NO: 1DI200G-100 Brand: FUJITSU Mounting Type: Screws Date Code: 04+ Quality Warranty: 3 Months Overview We specialize in high power and power conversion ...

Product Tags:

high power igbt

      

integrated circuit chips

      
Send your message to this supplier
 
*From:
*To: Mega Source Elec.Limited
*Subject:
*Message:
Characters Remaining: (0/3000)